Home Categories Send inquiry

Off-circuit Tap Switch of Manual Operation Cage Series


Purpose and applicable scope:

This series of off-circuit tap changer is used for oil-immersed off-load voltage-regulating transformer, with vertical and horizontal cage structure. According to different inner structures, the connection mode includes linear regulation, single bridging, twin bridging, Y—△ conversion, serial-parallel conversion, positive-negative regulation. Installation way can be tank-cover-type and bell-type. The tap changer can be widely applicable to power, rectification, furnace and other transformers with rated frequencies of 50Hz and 60Hz, rated voltages of 35kV, 66kV and 110 kV, and rated currents of 125A~2000A.

Voltage regulating principle:
1
Off-circuit Manual Cage Tap Changer: Series I
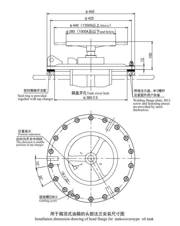
Installation Dimension Drawing of Head Flange for Tank-cover-type and Bell-Type
Oil Immersed Off-circuit Manual Cage Tap Changer
1